


Luk писал(а):Как вам такие ? : http://www.cuberra.eu/ru/vw-passat-b6-0 ... e-ogni.htm
на ebay: http://www.ebay.com/itm/Original-OEM-S6 ... 64&vxp=mtr
Дмитрий 1979 писал(а):Но если есть лишние деньги, то смотрятся красиво. Не то что мои кЕтайцы)))

pashustic писал(а):Дмитрий 1979 писал(а):Но если есть лишние деньги, то смотрятся красиво. Не то что мои кЕтайцы)))
А чем хуже то?? что там другие диоды!!Немецкая контора обозвалась тюнингом и пуляет те же диоды!! Или они дают сертификат Osrama на свои диоды!

frol83 писал(а):А вот такие кто нибудь ставил? http://vag-tuning.ru/e-store/passat_b6_ ... ane.14906/
frol83 писал(а):А вот такие кто нибудь ставил? http://vag-tuning.ru/e-store/passat_b6_ ... ane.14906/
Maxim.Sh писал(а):Ребят,а как вам такая идея?) http://www.motor-talk.de/bilder/einbausatz-tagfahrlicht-passat-3c-g11351155/vorne-links-i203420907.html
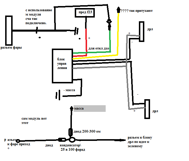
EVGENIJ писал(а):так подключенно на данный момент с использование модуля для отключения дхо при вкл габаритов и ближего
RUS.YRN писал(а):У меня такие стоят,только с Китая за 3400.качество достойное
Vladdark писал(а):RUS.YRN писал(а):У меня такие стоят,только с Китая за 3400.качество достойное
Не такие случайно?
http://www.ebay.com/itm/2x-LED-daytime- ... 25&vxp=mtr

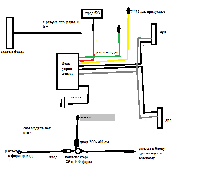
desantura2008 писал(а):Подключал по своей схеме,никаких проводов не тянул из салона и обратно

Vanekk514 писал(а):А я стал реже ДХО за 108 баков включать,остановил гаец для проверки доков,говорит ДХО ваши не видно,включите ближний свет! И впрямь оказалось рядом видно,отьедешь метров 50-100-нет

Сейчас этот форум просматривают: нет зарегистрированных пользователей и гости: 11