Volkswagen Passat B6 club

Клуб владельцев Фольксваген Пассат Б6         Клубные рамки

Проблемы с запуском

Re: Проблемы с запуском

Сообщение Ksandr » 26 дек 2021, 23:32

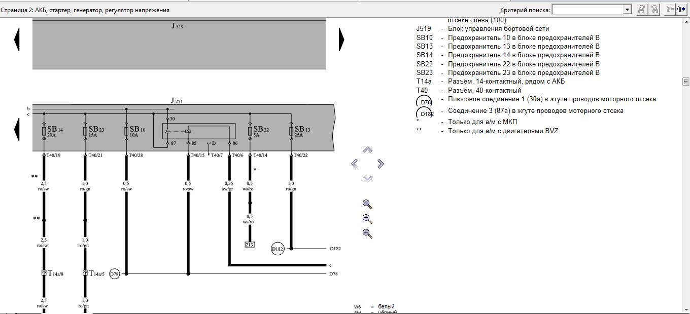
Grammalir писал(а):Чесн слово не нахожу его у себя по схеме, в блоке high он есть, а в low нет, вот источник https://vwts.ru/forum/topic/246510/
Вложения
Screenshot_12.png
Screenshot_12.png (9.07 Кб) Просмотров: 2385
Screenshot_13.png
Screenshot_13.png (11.26 Кб) Просмотров: 2376
Screenshot_14.png
Ksandr
Почетный мембер
 
Сообщения: 1282
Зарегистрирован: 17 окт 2018, 22:47
Откуда: мос.обл.

Re: Проблемы с запуском

Сообщение Ksandr » 26 дек 2021, 23:47

Езжайте уже к электрику , если элементарные схемы не можете вкурить.
Ksandr
Почетный мембер
 
Сообщения: 1282
Зарегистрирован: 17 окт 2018, 22:47
Откуда: мос.обл.

Re: Проблемы с запуском

Сообщение Grammalir » 15 янв 2022, 18:43

Заменил реле, дело не в нем.
Grammalir
Новичок
 
Автор темы
Сообщения: 9
Зарегистрирован: 19 дек 2021, 18:09

Re: Проблемы с запуском

Сообщение Alemania » 15 янв 2022, 19:11

Grammalir писал(а):Заменил реле, дело не в нем.

boroda уже писал:
Но если на 30 и 13 предохранители будут под напряжением, то нужно смотреть на мозгах питание. Возможно сгнивший плюсовой провод красный с черным.


Это Ross Tech пишет
Special Notes
When found in a 2005 through 2007 2.5L NAR (North American Region) (1K) Jetta check the T121/62 (Red/Black) traced power wire to the ECM. If power is missing or a voltage drop is present that wire may be damaged anywhere between 6" and 18" from the connector itself. This will result in no communication in addition to a no-start.

http://wiki.ross-tech.com/wiki/index.php/17069/P0685

6 и 18 дюймов в тексте относятся к фотоснимку жгута.

Взрывайте жгут на блок двигателя.
(тел. +7(982)1O2-4O-7O ) Passat B6 DSG7 1.8TSi ComfortLine 2010г
Alemania
Почетный мембер
 
Сообщения: 4390
Зарегистрирован: 12 авг 2012, 10:31
Откуда: Магнитогорск

Re: Проблемы с запуском

Сообщение Grammalir » 16 янв 2022, 22:32

Заменил реле, не помогло, дело оказалось в умирающем АКБ, не держал заряд, поэтому возникал ряд ошибок. Тему можно закрыть.
Grammalir
Новичок
 
Автор темы
Сообщения: 9
Зарегистрирован: 19 дек 2021, 18:09

Пред.

Вернуться в Двигатель

Кто сейчас на конференции

Сейчас этот форум просматривают: нет зарегистрированных пользователей и гости: 25

Яндекс цитирования
© 2009-2022 Volkswagen Passat B6 club - Клуб любителей Фольксваген Пассат Б6.
Размещение рекламы/письмо админу: info [собака] b6club [точка] ru