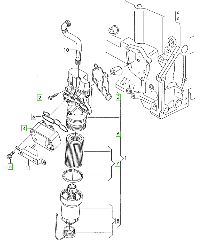
BM69 писал(а):Течь масла не побеждена. Замена прокладок 3.6 и масляного фильтра результата не дала. Мастера приговаривают корпус фильтра в сборе. Ценник 13500!!! Кто нибудь сталкивался с этой бедой?!
Skij писал(а):приговорить можно и ногу\голову - это же не значит что ее надо сразу отрубить. Попробуй в другой сервис съездить. Понять откуда течет

mik_nnm писал(а):Ктонить прокладку корпуса не оригинальную ставил ? Elring 897.960
Сейчас этот форум просматривают: нет зарегистрированных пользователей и гости: 17