Volkswagen Passat B6 club

Клуб владельцев Фольксваген Пассат Б6         Клубные рамки

Acc fault загорелся!

Acc fault загорелся!

Сообщение Serzyyy » 20 янв 2015, 17:49

Доброе время суток! Проблема в том что загорелся Acc fault подключил кабель выдала такие ошибки, в ошибках не разбираюсь как их разшифровывать


Tuesday,01,October,2013,16:28:50:40973
VCDS -- Windows Based VAG/VAS Emulator
VCDS Version: 12.12.0.0
Data version: 20130910


VIN: WVWZZZ3CZ7E143595 License Plate:



--------------------------------------------------------------------------------
--------------------------------------------------------------------------------


Chassis Type: 3C (3C0)
Scan: 01 02 03 08 09 13 15 16 17 19 25 36 42 44 46 52 53 55 62 69
72 76 77

VIN: WVWZZZ3CZ7E143595

00-Steering Angle Sensor -- Status: OK 0000
01-Engine -- Status: Malfunction 0010
02-Auto Trans -- Status: OK 0000
03-ABS Brakes -- Status: Malfunction 0010
08-Auto HVAC -- Status: Malfunction 0010
09-Cent. Elect. -- Status: Malfunction 0010
13-Auto Dist. Reg -- Status: Cannot be reached 1100
15-Airbags -- Status: OK 0000
16-Steering wheel -- Status: OK 0000
17-Instruments -- Status: Malfunction 0010
19-CAN Gateway -- Status: Malfunction 0010
25-Immobilizer -- Status: OK 0000
36-Seat Mem. Drvr -- Status: OK 0000
42-Door Elect, Driver -- Status: OK 0000
44-Steering Assist -- Status: OK 0000
46-Central Conv. -- Status: Malfunction 0010
52-Door Elect, Pass. -- Status: OK 0000
53-Parking Brake -- Status: OK 0000
55-Xenon Range -- Status: OK 0000
62-Door, Rear Left -- Status: OK 0000
69-Trailer -- Status: OK 0000
72-Door, Rear Right -- Status: OK 0000
76-Park Assist -- Status: OK 0000
77-Telephone -- Status: Malfunction 0010

-------------------------------------------------------------------------------
Address 01: Engine Labels: 03G-906-018-BMN.clb
Part No SW: 03G 906 018 EM HW: 03G 906 018 EM
Component: R4 2.0l PPD1.2 A 4369
Revision: --H42--- Serial number: VWZCZ000000000
Coding: 0000078
Shop #: WSC 00191 264 15243
VCID: 74E73A52171B22BE80B-8021

1 Fault Found:
005717 - Please check DTC Memory of Auto. Distance Controller
P1655 - 006 - - Intermittent
Freeze Frame:
Fault Status: 00000001
Fault Priority: 0
Fault Frequency: 1
Reset counter: 40
Mileage: 261377 km
Time Indication: 0
Date: 2015.01.20
Time: 16:26:24

Freeze Frame:
RPM: 0 /min
Torque: 0.0 Nm
Speed: 0.0 km/h
Lateral Accel.: 2.83 m/s^2
Lateral Accel.: 0.00 m/s^2
Bin. Bits: 00000011
Bin. Bits: 00000000

Readiness: N/A

-------------------------------------------------------------------------------
Address 02: Auto Trans Labels: 02E-300-0xx.lbl
Part No SW: 02E 300 043 S HW: 02E 927 770 AE
Component: GSG DSG 070 1302
Revision: 04507000 Serial number: 00000611211207
Coding: 0000020
Shop #: WSC 44551 111 44551
VCID: 24470A12E77BF23ED0B-8071

No fault code found.

-------------------------------------------------------------------------------
Address 03: ABS Brakes Labels: 3C0-614-095-C2.clb
Part No SW: 3C0 614 109 B HW: 3C0 614 109 B
Component: ESP 440 C4 H018 0001
Revision: H018 Serial number: 0668139232
Coding: 0030013
Shop #: WSC 05311 000 00000
VCID: 1D313FF6C411C3F69F5-8048

1 Fault Found:
01319 - Control Module for Distance Control (J428)
004 - No Signal/Communication
Freeze Frame:
Fault Status: 01100100
Fault Priority: 3
Fault Frequency: 5
Reset counter: 114
Mileage: 261366 km
Time Indication: 0
Date: 2015.01.20
Time: 15:27:41


-------------------------------------------------------------------------------
Address 08: Auto HVAC Labels: 3C0-907-044.lbl
Part No SW: 3C0 907 044 AH HW: 3C0 907 044 AH
Component: ClimatronicPQ46 050 0505
Revision: 00050005 Serial number: 00000000000000
Shop #: WSC 00000 000 00000
VCID: 67DD5D1E56CDD926359-8032

1 Fault Found:
01810 - Actuating Motor for Temperature Flap; Right (V159)
000 - - - Intermittent
Freeze Frame:
Fault Status: 00100000
Fault Priority: 3
Fault Frequency: 42
Reset counter: 153
Mileage: 260592 km
Time Indication: 0
Date: 2015.01.13
Time: 16:23:19


-------------------------------------------------------------------------------
Address 09: Cent. Elect. Labels: 3C0-937-049-23-H.lbl
Part No SW: 3C0 937 049 AE HW: 3C0 937 049 AE
Component: Bordnetz-SG H52 2002
Revision: 00H52000 Serial number: 00000006477173
Coding: EF8A8F0700041A00470000001F000000003B5D433C0001
Shop #: WSC 00856 461 82526
VCID: 6CD722324F2BFA7E58B-8039

Subsystem 1 - Part No: 3C1 955 119 B Labels: 1KX-955-119.CLB
Component: Wischer 041206 022 0601
Coding: 00046997
Shop #: WSC 00856

Subsystem 2 - Part No: 1K0 955 559 AH Labels: 1K0-955-559-AG.CLB
Component: RLS 090709 054 0402
Coding: 00209069
Shop #: WSC 00856

1 Fault Found:
00061 - Footwell Lights
012 - Electrical Fault in Circuit
Freeze Frame:
Fault Status: 01101100
Fault Priority: 5
Fault Frequency: 1
Reset counter: 115
Mileage: 260592 km
Time Indication: 0
Date: 2015.01.13
Time: 10:35:00

Freeze Frame:
ON
Voltage: 11.95 V
ON
ON
OFF
OFF
OFF


-------------------------------------------------------------------------------
Address 13: Auto Dist. Reg
Cannot be reached

-------------------------------------------------------------------------------
Address 15: Airbags Labels: 3C0-909-605.lbl
Part No SW: 3C0 909 605 M HW: 3C0 909 605 M
Component: 0B AIRBAG VW8 031 2522
Revision: 11031000 Serial number: 003B1PQYT8AI
Coding: 0012354
Shop #: WSC 05311 000 00000
VCID: 306FF642A3835E9E243-8065

Subsystem 1 - Serial number: 6332MSME14334F49

Subsystem 2 - Serial number: 6342MSME1432177F

Subsystem 3 - Serial number: 6351HTS62ADKLOP6

Subsystem 4 - Serial number: 6361HTS62ADK5737

Subsystem 5 - Serial number: 00000000000000000

Subsystem 6 - Serial number: 00000000000000000

No fault code found.
B6 2.0 TDI BMR DSG highline
Serzyyy
Местный
 
Автор темы
Сообщения: 128
Зарегистрирован: 06 окт 2014, 21:03
Откуда: Таллинн

Re: Acc fault загорелся!

Сообщение Элик » 20 янв 2015, 18:37

Serzyyy писал(а):01319 - Control Module for Distance Control (J428)
004 - No Signal/Communication


Смотрите радар круиза. не видит его.
B6 2.0 FSI BLY Highline Limousine 2006, косвенный датчик давления, электро сиденья с памятью у водителя, цветная приборка Б7, UDS стрекоза, RCD-510 с видеовходом не кЕтай, Dynaudio, Блок комфорта Б7, РТС, АБС под адаптив, ВАСЯ v12.1, <Oo w oO>
985-Ч27-8-Ч27
Аватара пользователя
Элик
Бывалый
 
Сообщения: 788
Зарегистрирован: 07 мар 2013, 12:14
Откуда: Москва, Измайлово

Re: Acc fault загорелся!

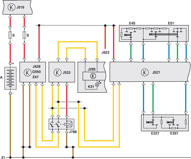
Сообщение Serzyyy » 20 янв 2015, 19:27

вот схема! а там где буква S после датчика это защита типа предахранителей?
Вложения
356_Passat_Variant_2006-88.jpg
B6 2.0 TDI BMR DSG highline
Serzyyy
Местный
 
Автор темы
Сообщения: 128
Зарегистрирован: 06 окт 2014, 21:03
Откуда: Таллинн

Re: Acc fault загорелся!

Сообщение Serzyyy » 20 янв 2015, 20:02

а я смотрел предахранитель этот он не сгоревший! а если снять решётку видно контакты к датчику?
B6 2.0 TDI BMR DSG highline
Serzyyy
Местный
 
Автор темы
Сообщения: 128
Зарегистрирован: 06 окт 2014, 21:03
Откуда: Таллинн

Re: Acc fault загорелся!

Сообщение pashustic » 20 янв 2015, 20:20

Serzyyy
Блок адаптивного круиза ,а именно глаз за решеткой радиатора под замену.
Для начала проверьте питание на фишке
Далее проверить кан шину на той же фишке
После можно думать о замене.
Passat B6 1.9 TDI noDPF noEGR BLS 5МКПП
Установка доп оборудования
Корректировка одометров, прописывание, привязывание ключей запуска., удаление сажев. фильтра, отключение ЕГР в Санкт- Петербурге

VW Parts для вас
Аватара пользователя
pashustic
Модератор
 
Сообщения: 17374
Зарегистрирован: 13 июл 2011, 22:17
Откуда: Санкт-Петербург-Бобруйск

Re: Acc fault загорелся!

Сообщение Serzyyy » 21 янв 2015, 18:09

Работал сегодня утром исправно доехал до работы 20 км от города потом назад с работы через 8 часов. Заглушил, завёл и опять ошибка? Может чтота с прашивкой?
B6 2.0 TDI BMR DSG highline
Serzyyy
Местный
 
Автор темы
Сообщения: 128
Зарегистрирован: 06 окт 2014, 21:03
Откуда: Таллинн

Re: Acc fault загорелся!

Сообщение pashustic » 21 янв 2015, 18:21

Serzyyy
Возможно
Проводку на целостность проверили? Обрывов нет?
Passat B6 1.9 TDI noDPF noEGR BLS 5МКПП
Установка доп оборудования
Корректировка одометров, прописывание, привязывание ключей запуска., удаление сажев. фильтра, отключение ЕГР в Санкт- Петербурге

VW Parts для вас
Аватара пользователя
pashustic
Модератор
 
Сообщения: 17374
Зарегистрирован: 13 июл 2011, 22:17
Откуда: Санкт-Петербург-Бобруйск

Re: Acc fault загорелся!

Сообщение Serzyyy » 21 янв 2015, 18:25

А где возле датчика?? Ну была бы проводка тогда бы во время езды тоже были бы отключения? А может заморозки так влияют? Может мотор нагрелся сырасть появляеться??
B6 2.0 TDI BMR DSG highline
Serzyyy
Местный
 
Автор темы
Сообщения: 128
Зарегистрирован: 06 окт 2014, 21:03
Откуда: Таллинн

Re: Acc fault загорелся!

Сообщение pashustic » 21 янв 2015, 18:58

Serzyyy писал(а):А где возле датчика?? Ну была бы проводка тогда бы во время езды тоже были бы отключения? А может заморозки так влияют? Может мотор нагрелся сырасть появляеться??

Неконтакт проявляется чаще чаще а потом вообще обрыв.
Passat B6 1.9 TDI noDPF noEGR BLS 5МКПП
Установка доп оборудования
Корректировка одометров, прописывание, привязывание ключей запуска., удаление сажев. фильтра, отключение ЕГР в Санкт- Петербурге

VW Parts для вас
Аватара пользователя
pashustic
Модератор
 
Сообщения: 17374
Зарегистрирован: 13 июл 2011, 22:17
Откуда: Санкт-Петербург-Бобруйск

Re: Acc fault загорелся!

Сообщение Serzyyy » 22 янв 2015, 15:04

сегодня снял решётку! Фишку от датчика так и не смог отсоединить! Подёргал вроде норм, сделал типа брызгавика на фишку чтоб на прямую вода не попадала! пока что работает!
B6 2.0 TDI BMR DSG highline
Serzyyy
Местный
 
Автор темы
Сообщения: 128
Зарегистрирован: 06 окт 2014, 21:03
Откуда: Таллинн

Re: Acc fault загорелся!

Сообщение pashustic » 22 янв 2015, 17:59

Serzyyy писал(а): Фишку от датчика так и не смог отсоединить!

Нажать на пимпу замка и минусовой ( плоской) отверткой сдернуть фишку разъема.
Passat B6 1.9 TDI noDPF noEGR BLS 5МКПП
Установка доп оборудования
Корректировка одометров, прописывание, привязывание ключей запуска., удаление сажев. фильтра, отключение ЕГР в Санкт- Петербурге

VW Parts для вас
Аватара пользователя
pashustic
Модератор
 
Сообщения: 17374
Зарегистрирован: 13 июл 2011, 22:17
Откуда: Санкт-Петербург-Бобруйск

Re: Acc fault загорелся!

Сообщение Serzyyy » 23 янв 2015, 18:36

Я не знаю что делать? К офицалам ехать стрёмно!

Вообщем проблема проявляеться когда машина прогреваетая глушеться и минут через 10 заводишь и ошибку выдаёт!
На холодную все работает! 4 дня тестил!
B6 2.0 TDI BMR DSG highline
Serzyyy
Местный
 
Автор темы
Сообщения: 128
Зарегистрирован: 06 окт 2014, 21:03
Откуда: Таллинн

Re: Acc fault загорелся!

Сообщение pashustic » 23 янв 2015, 22:01

Serzyyy
Если с косой все норм,то умирает радар
Passat B6 1.9 TDI noDPF noEGR BLS 5МКПП
Установка доп оборудования
Корректировка одометров, прописывание, привязывание ключей запуска., удаление сажев. фильтра, отключение ЕГР в Санкт- Петербурге

VW Parts для вас
Аватара пользователя
pashustic
Модератор
 
Сообщения: 17374
Зарегистрирован: 13 июл 2011, 22:17
Откуда: Санкт-Петербург-Бобруйск

Re: Acc fault загорелся!

Сообщение Serzyyy » 24 янв 2015, 10:27

пойду к офам! поход герметичность датчика страдает!
B6 2.0 TDI BMR DSG highline
Serzyyy
Местный
 
Автор темы
Сообщения: 128
Зарегистрирован: 06 окт 2014, 21:03
Откуда: Таллинн

Re: Acc fault загорелся!

Сообщение Serzyyy » 26 янв 2015, 16:33

Радары без Front Assist:
3C0907567E
3C0907567H
3C0907567L
есть еще более ранние радары, но их не перечисляю
Радары с Front Assist:
3C0907567G
3C0907567J
3C0907567K
3C0907567M
по радару 3C0907567F достоверной информации нет
А можна ли ставить радар с фронт басистом если на маем его нету?
B6 2.0 TDI BMR DSG highline
Serzyyy
Местный
 
Автор темы
Сообщения: 128
Зарегистрирован: 06 окт 2014, 21:03
Откуда: Таллинн

Re: Acc fault загорелся!

Сообщение pashustic » 26 янв 2015, 16:40

Serzyyy писал(а):А можна ли ставить радар с фронт басистом если на маем его нету?

В вашем случае нельзя
Для вас блоки ( для вашего года машины)
Serzyyy писал(а):3C0907567E3C0907567H3C0907567L
Passat B6 1.9 TDI noDPF noEGR BLS 5МКПП
Установка доп оборудования
Корректировка одометров, прописывание, привязывание ключей запуска., удаление сажев. фильтра, отключение ЕГР в Санкт- Петербурге

VW Parts для вас
Аватара пользователя
pashustic
Модератор
 
Сообщения: 17374
Зарегистрирован: 13 июл 2011, 22:17
Откуда: Санкт-Петербург-Бобруйск

Re: Acc fault загорелся!

Сообщение Serzyyy » 13 фев 2015, 21:42

Проблема вроде решена!
Вобщем менял мне парень маховик, он работает в мерседес центре. И заметел что под двишком провода сгнили. Поехал к ихнему электрику он провода поменял, диагностику полную 3 раза делал выдаёт ошибку связынаю с круиз контролем, а время уже 20,00 говорит не знаю может датчик надо менять и программа выдавала мол глаз менять надо. Но уехал я от них не работает круиз думаю и хрен с ним! Заглушил пошёл в магазин. Прихожу, завожу всё работает они просто зажигания как включили так 2 часа и не выключали. Походу надо было просто зажигания выключить и включить.
B6 2.0 TDI BMR DSG highline
Serzyyy
Местный
 
Автор темы
Сообщения: 128
Зарегистрирован: 06 окт 2014, 21:03
Откуда: Таллинн


Вернуться в Ошибки

Кто сейчас на конференции

Сейчас этот форум просматривают: нет зарегистрированных пользователей и гости: 2

Яндекс цитирования
© 2009-2022 Volkswagen Passat B6 club - Клуб любителей Фольксваген Пассат Б6.
Размещение рекламы/письмо админу: info [собака] b6club [точка] ru