GoLiaF писал(а):Так кольца разные бывают по диаметру,надо купить чтобы подошло
а что,это секрет типа?
Посчитать ведь невозможно
. В магазинах не ищи - не найдешь. У меня 1400 за к-т, специально для В6.PAMA писал(а):demainst
да скинь ты размеры, может кто-то и вправду сам придумает как сделать
!
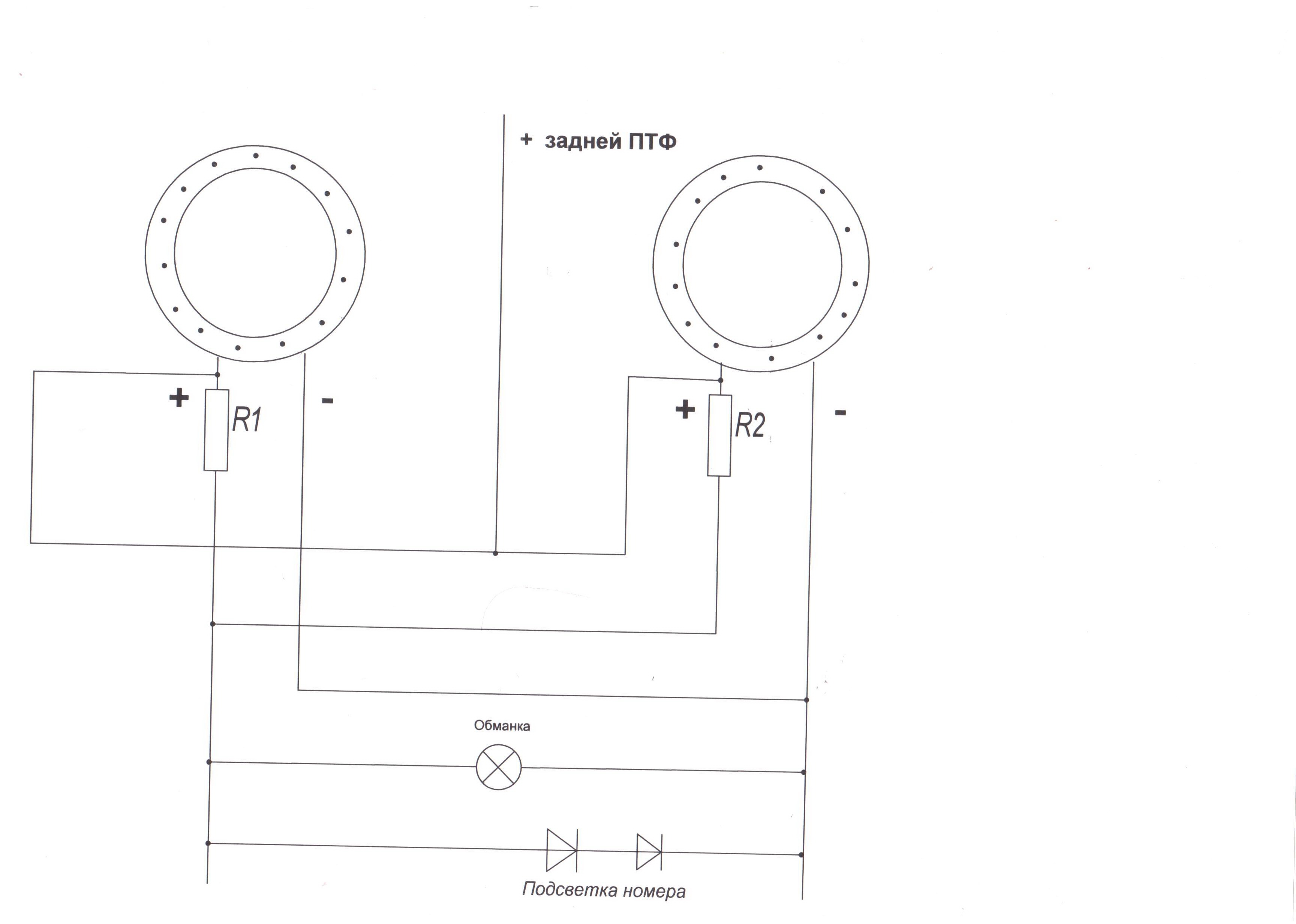
! к этим проводам под обшивкой и подсоедени!Олег ator писал(а):artem_art1
правильно понимаеш! а цвет проводов можеш увидеть просто открутив и сняв плафон подсветки номера! к этим проводам под обшивкой и подсоедени!
artem_art1 писал(а):народ, привет! Мне уже поставили колечки, вот только некому подключить. У меня седан. Вопрос в чем. Из-под каждого фонаря торчат по 2 новых провода + и -, как я прнимаю. Мне нужно соединить минусовые провода левого и правого фонаря???? А плюсы тоже соединить и вывести через трубу общим проводом и запитаться от подсветки номера? И еще вопрос: как в общем пучке найти цвет провода подсветки номера? Спасибо!
hamanaptra писал(а):Я, если чесно, врезался в прикуриватель багажника. Так как активировал Северо-Американский свет, при включении зажигия загорается ближний свет и сзади два внутренних кольца. Поворачиваю переключатель на принудительный ближний, загораются габариты, ДХО и внешние кольца!




BORISport писал(а):Поставил вчера лампочки красные)
Тогда будет полный класс !!! Если хочешь, могу помочь с этим вопросом )))



LASER! писал(а):Отключение центральных габаритов в задних фонарях
09 блок -> Кодирование - 7 -> Длинное кодирование -> в 9 байте прописать все нули
http://www.passat-club.ru/forum/threads/23566-VAG-COM-Меняем-всё-что-поддаётся
Вернуться в Фотоотчеты (сделай сам)
Сейчас этот форум просматривают: нет зарегистрированных пользователей и гости: 16