Volkswagen Passat B6 club

Клуб владельцев Фольксваген Пассат Б6         Клубные рамки

Не загорается свет при открытии дверей.

Не загорается свет при открытии дверей.

Сообщение SHTORM » 07 окт 2019, 16:51

Доброго времени суток,нужна Ваша помощь!Случилась такая беда:при открывании дверей(за исключением багажника) не загорается свет в салоне,при переключении света на постоянный,все горит.В чем может быть проблема? На что грешить? Может кто сталкивался,заранее спасибо! Машина WV Passat B6 2007 год,2.0 TDI (BMP).
SHTORM
Новичок
 
Автор темы
Сообщения: 6
Зарегистрирован: 07 окт 2019, 16:30

Re: Не загорается свет при открытии дверей.

Сообщение Alemania » 08 окт 2019, 18:12

У переключателя салонного света три положения. Отключено-Включено-Горит при открывании дверей. что в третьем положении ?
(тел. +7(982)1O2-4O-7O ) Passat B6 DSG7 1.8TSi ComfortLine 2010г
Alemania
Почетный мембер
 
Сообщения: 4390
Зарегистрирован: 12 авг 2012, 10:31
Откуда: Магнитогорск

Re: Не загорается свет при открытии дверей.

Сообщение SHTORM » 08 окт 2019, 21:43

В среднем положении(2) при открывании дверей,освещение не срабатывает.Оно горит только на 3 положении (постоянное освещение).В чем может быть проблема?
SHTORM
Новичок
 
Автор темы
Сообщения: 6
Зарегистрирован: 07 окт 2019, 16:30

Re: Не загорается свет при открытии дверей.

Сообщение Alemania » 09 окт 2019, 10:02

Значит ноль не приходит с блока бортовой сети после открывания дверей. Чуть позже схему скину
(тел. +7(982)1O2-4O-7O ) Passat B6 DSG7 1.8TSi ComfortLine 2010г
Alemania
Почетный мембер
 
Сообщения: 4390
Зарегистрирован: 12 авг 2012, 10:31
Откуда: Магнитогорск

Re: Не загорается свет при открытии дверей.

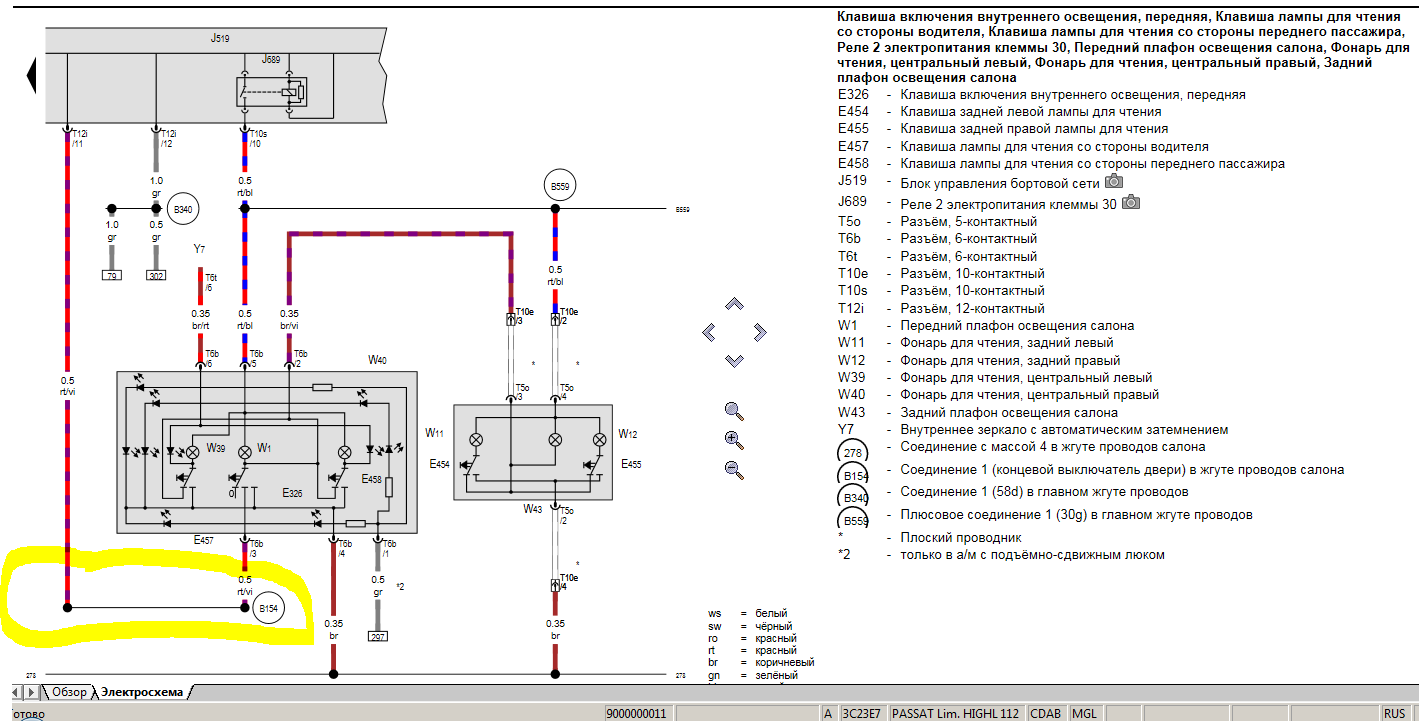
Сообщение Alemania » 09 окт 2019, 12:43

Схема плафона. Проверять связь между плафоном и блоком бортовой сети. Появляется ли там ноль ри открытии дверей. (обведено желтым)
Передний плафон схема.PNG
(тел. +7(982)1O2-4O-7O ) Passat B6 DSG7 1.8TSi ComfortLine 2010г
Alemania
Почетный мембер
 
Сообщения: 4390
Зарегистрирован: 12 авг 2012, 10:31
Откуда: Магнитогорск

Re: Не загорается свет при открытии дверей.

Сообщение boroda II » 09 окт 2019, 13:10

SHTORM писал(а):В среднем положении(2) при открывании дверей,освещение не срабатывает.Оно горит только на 3 положении (постоянное освещение).В чем может быть проблема?

На панели приборов открытые двери отображаются?
B6 Variant 1.8 BZB AT6 2008 Highline
В6 Variant 2.0 BVY MT6 2006 Comfortline
<<Oo w oO>> Hella Black Zorro
Аватара пользователя
boroda II
Почетный мембер
 
Сообщения: 2763
Зарегистрирован: 06 май 2015, 20:44
Откуда: Санкт-Петербург

Re: Не загорается свет при открытии дверей.

Сообщение SHTORM » 09 окт 2019, 13:48

Alemania писал(а):Значит ноль не приходит с блока бортовой сети после открывания дверей. Чуть позже схему скину

Спасибо за подробную схему,буду разбираться,я так понимаю какой-то косяк с блоком?
SHTORM
Новичок
 
Автор темы
Сообщения: 6
Зарегистрирован: 07 окт 2019, 16:30

Re: Не загорается свет при открытии дверей.

Сообщение SHTORM » 09 окт 2019, 13:50

boroda II писал(а):На панели приборов открытые двери отображаются?

На панели приборов отображает,что двери открыты,видимо что-то не то с блоком..
SHTORM
Новичок
 
Автор темы
Сообщения: 6
Зарегистрирован: 07 окт 2019, 16:30

Re: Не загорается свет при открытии дверей.

Сообщение boroda II » 09 окт 2019, 14:10

SHTORM писал(а):На панели приборов отображает,что двери открыты,видимо что-то не то с блоком..

Что-то не то может быть с проводом от бцм до плафона. Идет по левой стойке. Иногда туда левые сигналка цепляют.
B6 Variant 1.8 BZB AT6 2008 Highline
В6 Variant 2.0 BVY MT6 2006 Comfortline
<<Oo w oO>> Hella Black Zorro
Аватара пользователя
boroda II
Почетный мембер
 
Сообщения: 2763
Зарегистрирован: 06 май 2015, 20:44
Откуда: Санкт-Петербург

Re: Не загорается свет при открытии дверей.

Сообщение SHTORM » 09 окт 2019, 14:16

boroda II писал(а):Что-то не то может быть с проводом от бцм до плафона. Идет по левой стойке. Иногда туда левые сигналка цепляют.

Начать стоит с прозвонки проводов?Левой сигналки не стоит,только штатная.Кстати,могла ли как-нибудь на это повлиять установка не штатного ксенона?Может блок комфорта дал слабину из-за этого?
SHTORM
Новичок
 
Автор темы
Сообщения: 6
Зарегистрирован: 07 окт 2019, 16:30

Re: Не загорается свет при открытии дверей.

Сообщение boroda II » 09 окт 2019, 15:36

SHTORM писал(а):Начать стоит с прозвонки проводов?Левой сигналки не стоит,только штатная.Кстати,могла ли как-нибудь на это повлиять установка не штатного ксенона?Может блок комфорта дал слабину из-за этого?

Обманки вешали?
B6 Variant 1.8 BZB AT6 2008 Highline
В6 Variant 2.0 BVY MT6 2006 Comfortline
<<Oo w oO>> Hella Black Zorro
Аватара пользователя
boroda II
Почетный мембер
 
Сообщения: 2763
Зарегистрирован: 06 май 2015, 20:44
Откуда: Санкт-Петербург

Re: Не загорается свет при открытии дверей.

Сообщение SHTORM » 09 окт 2019, 18:53

boroda II писал(а):Обманки вешали?

Обманки никакие не вешал,только через VAG COM поставили.Что за обманки?
SHTORM
Новичок
 
Автор темы
Сообщения: 6
Зарегистрирован: 07 окт 2019, 16:30


Вернуться в Электрика

Кто сейчас на конференции

Сейчас этот форум просматривают: нет зарегистрированных пользователей и гости: 7

Яндекс цитирования
© 2009-2022 Volkswagen Passat B6 club - Клуб любителей Фольксваген Пассат Б6.
Размещение рекламы/письмо админу: info [собака] b6club [точка] ru